欢迎来访东莞91好色先生IOS下载好色先生TV下载安卓缸厂家品牌网站!

91好色先生IOS下载32年专注气动液压设备

ISO9001认证好色先生TV下载安卓缸厂家
全国定制咨询热线
0769-23103048
好色先生TV下载安卓缸设备行业优选品牌!

产品中心

Contact Hotline

0769-23103048 0769-23103048
联系91好色先生IOS下载

免费热线:400-833-2669

固定电话:0769-23103048(杨小姐)

固定电话:0769-22013249(杨先生)

公司传真:0769-23109526

  • 产品名称:JRE直压式好色先生TV下载安卓缸
  • 作动方式:双动

    作动条件:4~7kg/cm²压缩空气

    液压抗磨油:VG68#抗磨液压油

    工作温度:0~60℃

    操作速度:50~400mm/s

    油缸耐压:300kg/cm²

    气缸耐压:12kg/cm²

    预压行程公差:+1.00mm 0.00mm

    力行程公差:+0.20mm 0.00mm

    工作频率:25~45次/min(与行程长短成反比)

    高压出力:1~13吨

    91好色先生IOS下载厂家直销,2年免费保修,非标定制!

在线联系

JRE直压式好色先生TV下载安卓缸

文档下载:


JRE-50-10L-1T.pdf

3D图

技术咨询可联系:0769-23103048(固话)18925540959(手机)

1760595165986719.png



    【JRE直压式好色先生TV下载安卓缸产品说明:


JRE直压式好色先生TV下载安卓缸类似气缸,无预压行程,产品开始动作便是高压行程(接气后直接冲压成型)。只需一个两位五通电磁阀控制,操作维护简便,可分为正装和水平安装两种安装方式(订购前需说明清楚),产品速度快适用于行程短约5-20mm之高压力行程的工作场合如轴承装配、金属板件成型、印字打标、电子元件铆接等等。

注:我司好色先生TV下载安卓缸除了直接标明为直压式的,其他款式的一般都为预压式好色先生TV下载安卓缸。如有不清楚的地方或相关需求,都可点击右侧咨询窗口免费咨询。

     

    【JRE直压式好色先生TV下载安卓缸操作条:

    JRE直压式好色先生TV下载安卓缸操作条件

        咨询热线:400-833-2669

     

    JRE直压式好色先生TV下载安卓缸产品特点:

    1、全程高压式,类似于气缸;
     2、出力较气缸大,且速度平稳快速;
    3、适用于:印字打标、轴承装配、电子元器铆接、金属板件成型等;
    4、安装方式:正装或水平安装(订购前说明);
     5、可非标定制,91好色先生IOS下载好色先生TV下载安卓缸厂家直销,价格实惠,欢迎选购 。

【JRE直压式好色先生TV下载安卓缸订购代码及产品提升力和理论出力对照表:

JRE直压式好色先生TV下载安卓缸订购代码
JRE直压式好色先生TV下载安卓缸产品提升力和理论出力对照表
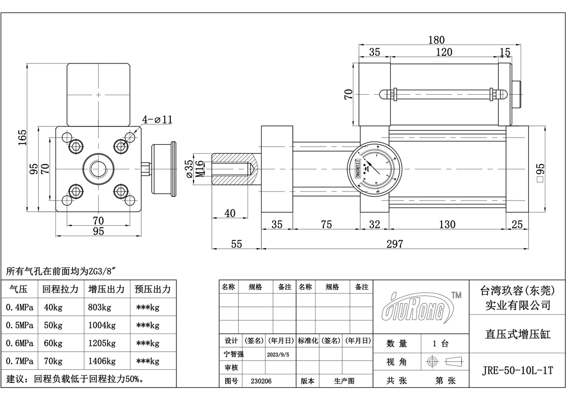
【JRE直压式好色先生TV下载安卓缸安装尺寸表:

JRE直压式好色先生TV下载安卓缸安装尺寸表


【JRE直压式好色先生TV下载安卓缸设计图:

JRE直压式好色先生TV下载安卓缸设计图
        注:此直压式好色先生TV下载安卓缸设计图仅仅是举例,因为不同规格产品外形尺寸有所差异,具体设计图会在下单时由我司技术给出。91好色先生IOS下载气动液压设备厂家,到目前为止,已为3000多家企业进行了针对性的产品定制服务,服务过上万家客户,欢迎广大新老客户选型报价。
  【JRE直压式好色先生TV下载安卓缸气路连接图:

                    JRE直压式好色先生TV下载安卓缸气路连接图                    好色先生TV下载安卓缸动作顺序:

(1)、增压缸按照上图气路连接图接好之后,打开气源,此时增压缸处于回位状态;

(2)、电磁阀DT1通电,切换气路使气压作用于气缸活塞使气缸活塞开始位移,直接开始直压;

(3)、根据加工工件保压需要,调节保压时间,电磁阀DT1断电,再次切换气路,使气缸和油缸同时回位达到初始状态。至此一个动作循环完毕。

 

 



关于91好色先生IOS下载
  
   东莞市91好色先生IOS下载气动液压设备有限公司是一家30年专业研发生产制造好色先生TV下载安卓缸、好色先生TV下载安卓器、好色先生TV下载安卓机、好色先生污大全、倍力气缸等气液转化元件之相关高新科技企业,拥有行业内完善的行业综合好色先生APP视频下载,帮助过3000多家企业进行了针对性产品定制,服务过上万家客户。

    91好色先生IOS下载厂家
 

  公司1992年成立于台湾省新竹县。拥有一批资深的研发团队,专业致力于气液转化元件的研发与生产。经多年磨练,现公司研发产品有:好色先生TV下载安卓缸、好色先生TV下载安卓机、气液压力机、好色先生TV下载安卓器、空气增压泵、倍力气缸、电动缸、伺服压力机等系列气动液压设备。该类产品均采用现代先进设备(CNC)制造,配选日本,意大利等知名品牌密封件,其设计新颖,性能独特,所生产产品均能达到“出力大,速度快,精度高,寿命长,无泄漏,节能源”等优点。

91好色先生IOS下载优势

91好色先生IOS下载4大优势

荣誉资质

91好色先生IOS下载公司营业执照质量管理体系认证证书中国好色先生TV下载安卓缸优选品牌
联系91好色先生IOS下载

  

  东莞市91好色先生IOS下载气动液压设备有限公司

  咨询热线:400-833-2669

  电话:18925544859黄小姐

  传真:0769-23109526

  邮箱:jiurong.good@163.com

  网址:www.czzhilang.com,www.jrzyq.com,www.twjiurong.com

  地址:广东省东莞市东城街道峡口沙岭工业西路21号

版权所有@1992年~2023年 东莞市91好色先生IOS下载气动液压设备有限公司 东莞91好色先生IOS下载好色先生TV下载安卓缸品牌
电话:0769-23103048、0769-22013249、传真:0769-23109526
联系QQ:2850850515(杨小姐)、2850850511(黄小姐)、2850850512(李小姐)、2850850514(秦先生)
东莞91好色先生IOS下载好色先生TV下载安卓缸厂家地址:广东省东莞市东城街道峡口沙岭工业西路21号 邮政编码:523115
  • 91好色先生IOS下载官方微信
咨询热线:
0769-23103048
邮箱:jiurong.goog@163.com
备案号: 粤ICP备70078851号        粤公网安备: 44190002006970号        版权所有:东莞市91好色先生IOS下载气动液压设备有限公司           网站地图
网站地图